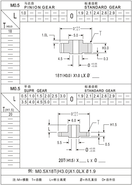
M0.5

  • 参数1:

相关推荐

详细信息

2.jpg

标准齿轮

  • 参数1:

2.jpg