首页
产品分类
产品展示
关于我们
荣誉资质
生产车间
生产设备
新闻资讯
联系我们
<
Previous
>
Next
标准齿轮
汽车齿轮
标准齿轮
汽车齿轮
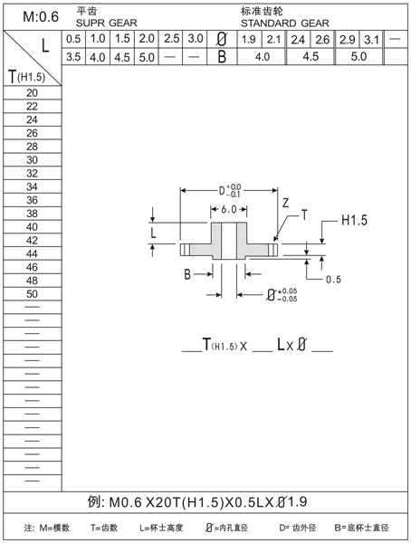
m0.6
参数1:
相关推荐
M0.3 0.4
详细信息
网站首页
>
标准齿轮
>
m0.6
标准齿轮
参数1:
详细信息
QQ咨询
热线电话
83188856-808
联系手机
0769一83188856
微信扫一扫
返回顶部
QQ咨询
电话咨询
公司介绍
联系我们